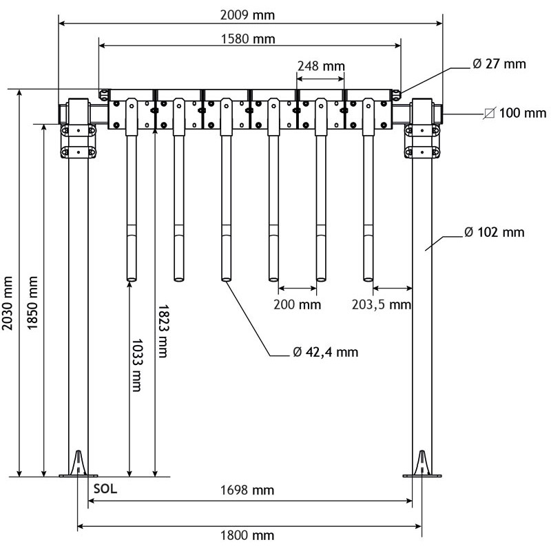
Finger-Gate Modul mit Ø 102 mm Pfosten zum Aufdübeln
1,70 m breit, ermöglicht den gleichzeitigen Durchgang von 2 Milchkühen.
Das Finger-Gate ermöglicht die Bewegung der Milchkühe ohne Rücklaufmöglichkeit.
Sie werden häufig an Ein- und Ausgängen von Melkständen oder Melkrobotern verwendet.
Für Einrichtungen nach Maß:
- einen Platzbedarf von 248 mm pro Finger-Gate berücksichtigen,
- maximal 205 mm zwischen dem Finger-Gate und dem Ende der Einrichtungen vorsehen,
- für Milchkühe die Einrichtung am besten mit einer maximalen Höhe von 1033 mm unter dem Finger-Gate montieren. Eine Höhenverstellung ermöglicht eine Optimierung des Anti-Rücklaufs je nach der Tiermorphologie und –alter.
Bestehend aus:
- 6 Finger-Gate,
- 1 Montage und Endarbeit Set,
- 1 Stück 100x100 mm Vierkantrohr - Länge 2 m,
- 1 Ø 27 mm Achse - Länge 2 m,
- 2 Ø 102 mm verstärkte Pfosten ohne Befestigung zum Aufdübeln - H. 1,98 m.
- Material
- feuerverzinkter Stahl
- Höhe
- 2,03 m
- Nettogewicht
- 159 kg
- Durchgangsbreite
- 1,70 m
- Durchgangshöhe
- 1,83 m
- Befestigung-Zwischenachse
- 1,80 m
- Verkaufseinheit
- Pro Stück
- Verpackung
- Ohne Verpackung
- Gesamtbreite
- 2 m
10 andere Artikel in der gleichen Kategorie:
Zubehör und optionen



















